產品介紹
外殼:鋁合金外殼,堅實而質輕。有特色散熱片,散熱快,可連續使用,效率達40%。整體密閉式結構,可使用在化工廠.電鍍廠等地方.
磅磁剎車:新設計的磁力產生器,其特性為產磁。可在電源切斷的同時間剎車,保證吊重時剎車確保安全。極限開關:吊上吊下都有極限開關裝置,使自動停止,防止鏈條超出,確保安全。
鏈條:采用進口FEC80超級加熱處理合金鋼鏈條,在雨水海水化學品及其他惡劣狀況下使用安全無慮,吊鉤:經熱鍛造,強度絕佳,不易斷裂。下吊鉤可360度旋轉 ,附安全舌片,確保操作安全。支撐架:吊重支撐架由兩片鋼板組合,非常堅固。
變壓器: 24V/36V變壓裝置。操作時,萬-漏電,可防止意外事故發生.下雨時,可保證安全使用。電磁接觸器:高效率電磁接觸器,可高頻率使用,沒有問題。
逆相保護裝置:特殊電線裝置,當電源接線錯誤時,控制電路無法動作。按鈕開關:使用防水按鈕開關,輕便耐用。








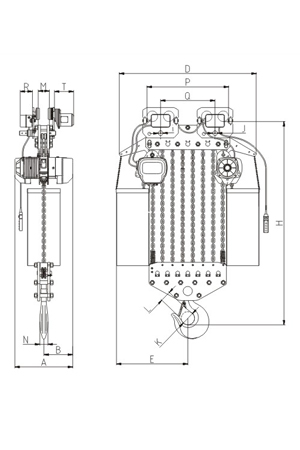
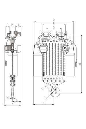
| 掛板式環鏈電動葫蘆(7.5T-50T) 尺寸參考: | ||||||||
| 型號 | H | A | B | D | E | |||
| HSY7.5-3 | 1200 | 620 | 310 | 500 | 320 | |||
| HSY10-4 | 1400 | 630 | 315 | 890 | 590 | |||
| HSY15-6 | 1360 | 630 | 315 | 1030 | 590 | |||
| HSY20-8 | 1300 | 630 | 315 | 1200 | * | |||
| HSY25-10 | 1700 | 630 | 315 | 1450 | * | |||
| HSY30-12 | 1640 | 860 | 430 | 1380 | * | |||
| HSY35-16 | 1790 | 860 | 430 | 1600 | * | |||
| HSY50-20 | 2000 | 740 | 430 | 1815 | * | |||
| 掛板式環鏈電動葫蘆(7.5T-50T) 尺寸參考: | ||||||||
| 型號 | HSY單速/雙速 | |||||||
| 7.5-50T | 7.5-3 | 10-4 | 15-6 | 20-8 | 25-10 | 30-12 | 35-16 | 50-20 |
| 額定載荷(t) | 7.5 | 10 | 15 | 20 | 25 | 30 | 35 | 50 |
| 起升速度(m/min) | 1.9 | 2.8 | 1.9 | 1.4 | 1.1 | 0.9 | 0.7 | 0.54 |
| 電機功率(Kw) | 3.0 | 3.0x2 | 3.0x2 | 3.0x2 | 3.0x2 | 3.0x2 | 3.0x2 | 3.0x2 |
| 轉速(r/min) 1440 | ||||||||
| 電機絕緣等級 F級 | ||||||||
| 工作電壓 3-Phase 380V 50Hz | ||||||||
| 控制電壓 24V/36V/48V | ||||||||
| 鏈條回數 | 3 | 4 | 6 | 8 | 10 | 12 | 16 | 20 |
| 鏈條規格 | ?11.2 | ?11.2 | ?11.2 | ?11.2 | ?11.2 | ?11.2 | ?11.2 | ?11.2 |
| 凈重(kg) | * | * | * | * | * | * | * | * |
| I Beam(mm)工字鋼底面寬度 | 150-220 | |||||||